High quality 1/8" VR32-06 Pneumatic Pressure Switch Valve
Order code
Symbol

Technical parameter
Model No
VR32-06
Fluid
Air
Port size
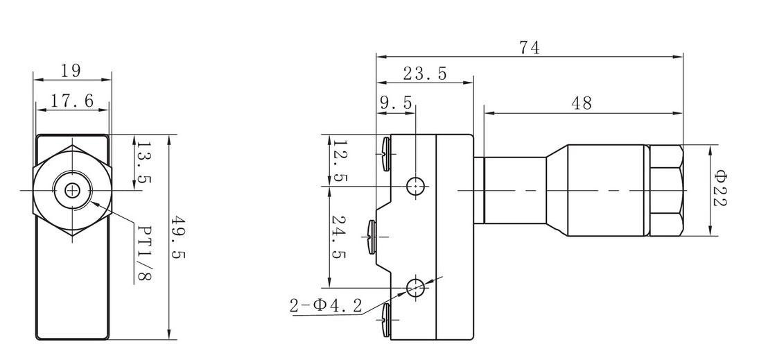
06:G1/8”
Pressure range
0.1-1.0MPa
Resistor capacity
250VAC 15A;30VDC 6A
Dimension




