SDA SDB series Piston Double acting Compact Thin Cylinder
Order code
Symbol

Technical parameter
Bore size(mm)
12
16
20
25
32
40
50
63
80
100
Acting type
Double acting
Fluid
Air
Operating pressure
Double acting
0.1~1.0MPa
Single acting
0.2~1.0MPa
Proof pressure
1.5MPa
Piston speed
50~500mm/s
50~400mm/s
Temperature ℃
-5~+60
Stroke tolerence range
Double acting:30~500,single acting:50~500
Cushion type
Bumper
Port size
M5×0.8
1/8”
1/4”
3/8”
Stroke
Bore size(mm)
12
16
20
25
32
40
50
63
80
100
Double Action
Without Magnet
5-60mm,each 5mm/grade
5-85mm,each 5mm/ grade
5-90mm,each 5mm/grade
100-110mm,each 5mm/grade
5-90mm,each 5mm/grade
100-130mm each 5mm /grade
With Magnet
5-60mm,each 5mm/grade
5-75mm,each 5mm/ grade
5-90mm,each 5mm/grade
100-110mm,each 5mm/grade
100mm,each 5mm/grade
100-120mm each 5mm /grade
Single
Action
Without Magnet
5-60mm,each 5mm/grade
5-60mm,each 5mm/grade
-
With Magnet
5-60mm,each 5mm/grade
5-60mm,each 5mm/grade
-
Max.Stroke
60mm
100mm
120mm
130mm
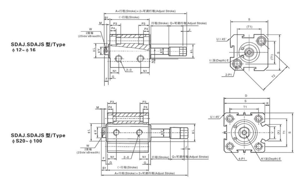
Dimension

Feature
.Action type for SDA SDB series double acting Pneumatic compact air cylinder: Double Action
Application:Pneumatic
Structure:Piston Cylinder
Thine pneumatic cylinder material:Stainless steel
Double acting double out system
Made of high-quality materials, resistant to rust and corrosion, and durable.
Easy to install and remove, easy to operate, no additional tools or accessories required.
The forces allowed at different speeds are different.
Adjustable stroke
Working Fluid:Air






